
dc電源插座目前生活當中都是隨處可見的,但是對于所提及到了解,若非技術人員,可能大家就不為而知了。因為主要也是dc電源插座對于規格類型的區分是比較眾多,各種規格不同的插座,其功能、質量上都是有所差異的。如常用的類型有dc009、dc005b電源插座、dc002電源插座等規格,那各位是否了解這些規格不同的插座都有什么功能特性的差異呢?不知道的話,接著下面就由小編為大家解說下關于dc002電源插座功能特性介紹。
dc002電源插座

產品簡介:
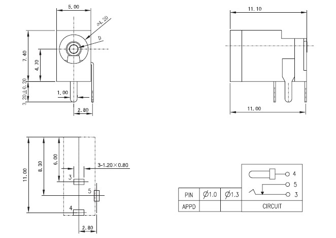
dc002電源插座孔徑尺寸是4.2mm,其針芯直徑有1.0mm和1.3mm,規格上區分有梅花針和圓針兩種類型,可根據用戶的需求選擇。dc002電源插座一般適用范圍于:電視機、影碟機、車載音響、電腦、家用電器、安防產品、工業設備、電子儀器等領域。
技術參數:
額定值:DC 12V 1A
環境溫度:15~35℃
壓力:86kPa~106kPa
接觸電阻:≤0.03Ω
絕緣電阻:≥100MΩ
相對濕度:25%~80%
拔出力度:2.94~29.4N
插入力度:2.94~29.4N
dc002電源插座參考圖紙

由于時間關系,上述的dc002電源插座產品介紹就解說到這,其次還有在dc002電源插座選購中,就算是同一款規格的產品,由于材質的不同,對于價格上也是有所差異的,所以大家在購置插座的時候,請務必要了解清楚插座的材質方面信息,以免購置到一些劣質的產品。在者就是dc電源插座規格類型還有很多,若是有什么規格插座不懂的話,可以在線咨詢下我們的客服人員。

Copyright © 廣東精密龍電子科技有限公司 版權所有 粵ICP備17035144號 粵公網安備44130202001184號
全國服務電話:0755-83205533 傳真:0755-83761155
公司地址:深圳市龍崗區龍崗大道8288號深圳大運軟件小鎮45棟2樓

